|
技术参数 |
|
测量范围:(300~6000)mm |
|
工作温度:(-30~120)℃
|
|
工作压力:0.6MPa、1.0MPa、1.6 MPa、2.5 MPa
|
|
介质密度:≥(0.5-2.0)g/cm3
|
|
注:密度<0.8 g/cm3DN100
|
|
触点容量:220V AC/24V DC 0.5A
|
|
接点寿命:5×102次
|
|
防爆标志:本安型:ibIICT5
|
|
隔爆型:dIIBT5
|
|
电气接口:M20×1.5内螺纹
|
|
过程连接:法兰连接DN100
|
|
法兰标准:HG20593-20635-97
|
|
注:其它法兰标准或连接方式请用户注明
|
|

|
|
|
产品选型编码 |
|
UHC-51D
|
□
|
不锈钢304,316,316L
|
接液材质
|
|
□
|
防腐型PP,PVC
|
|

|
|
Q
|
本安型:ibIICT5
|
防爆形式
|
|
B
|
隔爆型:dIIBT5
|
|
T
|
配隔离安全栅
|
|
|
□
|
(0~120)℃
|
工作温度
|
|
|
□
|
0.6MPa、1.0MPa、2.5 MPa
|
工作压力
|
|
|
□
|
g/cm3
|
介质密度
|
|
|
□
|
单位mm
|
订货长度
|
|
|
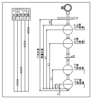
1
|
1个浮球多点控制
|
控制点数可带记忆功能
|
|
2
|
2个浮球控制
|
|
3
|
3个浮球控制
|
|
4
|
4个浮球控制
|
|
N
|
N个浮球控制
|
|
|
L1=mm下下限,下降接通
|
注:根据控制点数分别注明L1、L2、L3、L4并注明上升接通或下降接通
|
|
L2=mm下限,下降接通
|
|
L3=mm上限,上升接通
|
|
L4=mm上上限,上升接通
|
|
□
|
|
法兰规格
|
|
|
|
|
UHC-51D □ □ □ □ □ □ □ □
|
|
|
|
|