Main Products:Electromagnetic Flow meter  Metal Tube Flow Meter  Glass Tube flow Meter
 
 
 
 
 
Glass Tube Flowmeter
LZB/LZJ series glass rot...
Glass Tube Flowmeter
Glass Tube Flowmeter
LZB-()W/WB series micro ...
Glass Tube Flowmeter

 


WSS Series bimetallic thermometers
Product Model:WSS

Summary

Bimetallic indication thermal resistance (thermocouple) is an integration temperature measurement instrument with on site indication and remote transmission display function.It can be used directly to measure the temperature of gasses、liquids and substances. The indication value can be read distinctly on site.And the signals can be transmitted to the control room.The transmitted signals include Pt 100,K type and E type thermal resistance signals,also the (4~20)mA standard signal after transmission. It plays a role as an instrument with two functions
  • Type naming and representative significance

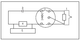
  • Wiring drawing of thermal resistance (thermocouple)(as fig.8)
  Drawing of basic structure

1:Thermal resistance (thermocouple)
2:Temperature conversion indicator
3:Power supply 24V DC
4:Load 250± 0.01%Ω resistance
5:Adjustable instrument or computer

Main technical parameters

◇ Measuring range (℃):
WSSP:-80~40、-40~80、0~50、0~100、0~150、0~200、0~300、0~400、0~500;
WSSK:0~400、0~500;
WSSE:0~300、0~400、0~500;
◇ Accuracy class:
Bimetallic thermometer is of class 1.5;
Armoured platinum thermal resistance is of class B±(0.30+0.005│t│);
Armoured platinum thermocouple is of classⅡ ±2.5℃ or 0.75%│t│;
Basic error of transmitter±0.5%
◇ Insert length L1(mm):100;150;200;250;300;400;500;750
◇ Tail pipe diameter d(mm):18;20
◇Installation thread:M27×2; 3/4”;Flange
◇External protective pipe material:1Cr18Ni9Ti、316、316L、coated with polytetrafluoroethylene
◇ Insulation resistance at room temperature:Platinum thermal resistance≥100MΩ;
Thermocouple≥1000MΩ.m
◇ Thermal response time of platinum thermal resistance(thermocouple) ≤60s;
Time constant of bimetallic thermometer≤180s



© 2012 Changzhou Chengfeng Flowmeter Co.,Ltd All Rights Reserved   Main Products:Electromagnetic Flow meter  Metal Tube Flow Meter  Glass Tube flow Meter
Design by Lingdong Internet  Switchboard:86-519-85503558,86-519-85503688  Fax:86-519-85505269,86-519-85503588-8008
Friendly Links:成丰仪表阿里巴巴店铺    新浪